产品列表 / products
为了确保用药安全,国家药品监督管理局自2002年至2006年连续颁布了 《直接接触药品的包装材料和容器标准汇编》统一与规范药包材的质量标准与检验方法。将药品包装及包装材料的质量检验列为药品企业必须开展的重点工作之一。
药品包装检测与控制指标主要包括:物理机械性能、滑爽性、厚度、阻隔性能、溶剂残留、密封性能、瓶盖扭力、顶空气体分析、印刷质量等。
物理机械性能:主要包括抗拉强度与伸长率、复合膜剥离强度、热合强度、热收缩性、穿刺力、穿刺器保持性、插入点不渗透性、注药点密封性、悬挂力、铝塑组合盖开启力、耐冲击性能、耐撕裂性能、抗揉搓性能、耐压性能等指标。
1、拉伸性能的试验方法
拉伸强度系指在拉伸试验中,实验直至断裂为止,单位初始横截面上承受的最大拉伸负荷。断裂伸长率系指在拉伸实验中,试样断裂时,标线间距离的增加量与初始标距之比,以百分率表示。
拉伸性能、拉伸强度与伸长率的检测能够有效解决包装材料机械强度不够,在受到外力作用下产生的包装破损与断裂问题。《YBB00112003-2015拉伸性能测定法》试样的形状及尺寸:标准中规定了四种类型的试样,前三种为哑铃型试样,第四种为长条形试样。

试样制备及准备
试样应沿纵、横方向大约等间隔裁取。试样边缘必须平滑无缺口,按试样尺寸要求准确打印或划出标线,标线应对试样产品不产生任何影响。试样按照每个方向为一组,每组试样不少于5个。试样应在23℃±2℃、50%±5%相对湿度环境中放置4小时以上,并在此条件下进行实验。
试验速度(空载),应按各品种项下规定的要求选择速度。速度1mm/min-500mm/min中分为9档。

测试仪器 试样夹持示意图
测定法
将试样置于试验机的两夹具中,使试样纵轴与上下夹具中心连线相重合,夹具松紧松紧适宜,防止试样滑脱或在夹具中断裂。按照规定的速度开动试验机进行实验。试样断裂后读取断裂时所需负荷以及相对应标线间伸长值。若断裂在标线外的部位时,此试样作废。另取试样重做。
2、热合强度测定法
在产品的保存和运输过程中,若热封强度太低,会导致热封处裂开、药品泄 漏等问题。依据《YBB00122003-2015热合强度测定法》在塑料或其他基材(如铝箔等)上的热合强度及塑料复合袋的热合强度测定。

试样制备
材料:根据产品项下规定的热合条件,将试样在热封仪上进行热合,从热合中间部位纵向、横向裁取15.0mm加减0.1mm宽的试样各5条。

测试仪器 试样条规格
测定法
取试样,以热合部位为中心,打开呈180°,把试样的两端夹在试验机的两个夹具上,试样轴线应于上下夹具中心线重合,并要求松紧适宜,以防止实验前试样滑脱或断裂在夹具内。夹具间距离为50mm,试验速度为300mm/min±30mm/min,读取试样分离或断裂时的最大负荷(拉力试验机示值误差应在1±%之内)。若试样断在夹具内,则此试样作废,另取试样重做。材料以纵向、横向5个试样的算数平均值,复合膜袋以不同热合部位10个试样的平均值作为该样品的热合强度,单位以N/15mm表示。


测试仪器 夹持示意图 试验与结果界面
3、剥离强度测定法
剥离强度是指将规定宽度的试样,在一定的速度下,进行T型剥离,测定到的复合层与基材的平均剥离力。
如粘强度过低,则极易在包装使用中出现层间分离而产生的泄露、阻隔性能差等问题。
依据《YBB00102003-2015剥离强度测定法》塑料复合在塑料或其他基材(如铝箔、纸等)上的各种软质、硬质复合材料剥离强度的测定。

试样制备
取试样适量,将试样宽度方向两端除去50mm,均匀截取纵、横向宽度为15.0mm±0.1mm,长度200mm的试样各5条。复合方向为纵向。沿试样长度方向一端将复合层与基材预先剥开50mm,被剥开部分不得有明显损伤。若不易剥开,可将试样一端约20mm浸入适当溶剂中处理,待溶剂挥发后,再进行剥离强度试验。
剥离力 典型曲线的取值 虚线示值为试样的平均值
测定法
将试样剥开部分的两端分别夹在试验机上下夹具中,使试样剥开部分的纵轴与上、下夹具中心连接线重合,并松紧适宜。实验时,未剥开部分与拉伸方向呈T型,试验速度为300mm/min±30mm/min,记录剥离过程中的剥离力曲线。


测试仪器 夹持示意图 试验与结果界面
试验结果处理
采取其中相近的取值方式,算出平均剥离强度。试验单位为N/15MM。
注意:复合层不能剥离或复合层断裂时,其剥离强度判为合格,但需确保拉伸强度合格。
4、注射剂用胶塞垫片穿刺力测定法
本法适用于注射剂用胶塞、垫片穿刺力的测定,穿刺力是指在穿刺实验中,穿刺器刺透胶塞或垫片的最大力值,用牛顿(N)表示。
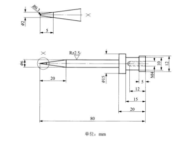
《YBB00322004-2015注射剂用胶塞垫片穿刺力测定法》中规定了三种方法,用于注射剂用适合规格的胶塞垫片等产品。方法类似都是以穿刺器以200mm/min±20mm/min的速度做垂直运动,运动期间穿刺器受到的反作用力能被记录,仪器精度为±2N;轴向应有合适的位置放置试样,以使注射剂瓶上的胶塞标记位置能被垂直穿刺。不同的方法对于穿刺针的要求不同。穿刺器要求如下图:第二法为:注射针(外径0.8mm,斜角12°±2°,符合GB 15811-2001)


第一法穿刺器 第二法穿刺器
试样准备
1、 注射剂瓶:与被测胶塞配套,装量50 ml以上(含50 ml),10个。铝盖或铝塑组合盖:与被测胶塞配套,10 个。封盖机:与被测胶塞配套,一把。注射针。
2、 注射剂瓶:与被测胶塞配套,装量50 ml以下,10个。铝盖或铝塑组合盖:与被测胶塞配套,10 个。封盖机:与被测胶塞配套,一把。注射针。
测定法
1、 用丙酮或其他适当的有机溶剂擦拭一个穿刺器尽可能不使其钝化,将其安装于材料试验机对应位置上。将上述 10 个预处理过的注射剂瓶分别放入穿刺装置中,打开铝盖或铝塑组合盖,露出胶塞标记部位穿刺器以 200 mm/min 的速度对胶塞标记位置进行垂直穿刺,记录刺透胶塞所施加的最大力值。重复上述步骤,穿刺接下来的 4 个注射剂瓶,每次穿刺前,都要用丙酮或其他适当的有机溶剂擦拭穿刺器,待5个注射剂瓶均被穿刺一次后,更换一个穿刺器,重复上述步骤穿刺剩下的 5 个注射剂瓶。
2、 取 10 个配套的注射剂瓶,分别加入公称容量的水,装上预处理过的被测胶塞,加上铝盖或铝塑组合盖,用手动封盖机封口。将一只注射针置于材料试验机上固定,将注射剂瓶放入材料试验机中,打开铝盖或铝塑组合盖,露出胶塞标记部位,穿刺器以 200 mm/min 的速度对胶塞标记位置进行垂直穿刺,记录刺透胶塞所施加的最大力值。更换一只注射针重复上述步骤,直至所有胶塞被穿刺一次。


测试仪器
药品的质量安全直接影响到国民健康,药品包装作为药品的重要组成部分,在产品出厂后的质量保护方面扮演着着重要的角色。为了确保用药安全,我国陆续颁布相关法规,将药品包装及包装材料的质量检验列为药品企业必须开展的重点工作之一;药品行业不仅要关注药品安全,药品包装的安全也同样重要。
点关注定期分享检测试验方案,一起来聊聊在试验中学习到的小知识吧!
|
|
|